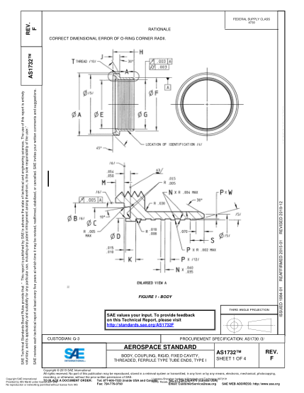
SAE AS1732F-2019 BODY, COUPLING, RIGID, FIXED CAVITY, THREADED, FERRULE TYPE TUBE ENDS, TYPE I
- 標準類別:
- 標準大小:
- 標準編號:SAE AS1732F-2019
- 標準狀態(tài):現行
- 更新時間:2024-01-22
- 下載次數:次
標準簡介
標準截圖
下一條:返回列表
版權:如無特殊注明,文章轉載自網絡,侵權請聯(lián)系cnmhg168#163.com刪除!文件均為網友上傳,僅供研究和學習使用,務必24小時內刪除。
熱門推薦
-
GB/T 706-2016熱軋型鋼 2024-01-22
-
GB/T 1094.1-2013電力變壓器 第1部分:總則 2024-01-22
-
JB/T 10216-2013電控配電用電纜橋架 2024-01-22
-
GB 9706.1-2020醫(yī)用電氣設備 第1部分:基本安全和基本性能的通用要求 2024-01-22
-
GB/T 10801.2-2018絕熱用擠塑聚苯乙烯泡沫塑料(XPS) 2024-01-22
-
YB/T 4001.1-2019鋼格柵板及配套件 第1部分:鋼格柵板 2024-01-22
-
GB 51251-2017建筑防煙排煙系統(tǒng)技術標準 2024-01-22
